在實驗室中,一些核酸、蛋白樣品如果沒有進行質控很有可能會導致數據差錯,從而影響實驗結果,得出錯誤的結論。所以在實驗之前,我們可以用超微量分光光度計對樣品進行準確的核酸濃度檢測,下面一起來看看具體步驟。

測量核酸濃度步驟:
1、清潔:首先,用移液器滴加去離子水2 -3μl到Micro Drop下部樣品基座,關閉上臂,確保上層基座與去離子水接觸。停留30秒,用實驗室潔凈無絨紙將上樣檢測系統的上部和下部的光學表面擦拭干凈。

2、打開Micro Drop軟件,并選擇核酸應用程序。用移液器滴加1μl緩沖液(溶解待測樣品的液體)至樣品基座光學表面,選擇“空白檢測”以執行空白測量。一旦空白測量完成后,用實驗室潔凈無絨紙將上樣檢測系統的上部和下部的光學表面擦拭干凈。

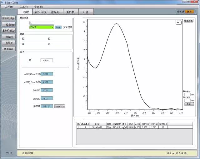
3、輸入樣品編號,選擇檢測的樣品類型(默認的設定為DNA,消光因子為50)。用移液器滴加樣品0.5-2μl到Micro Drop下部樣品基座,關閉上臂,選擇“檢測”,軟件會自動計算出的核酸濃度和純度比例,3-5秒內,即可顯示實驗結果及光譜圖。
看到這里,小伙伴們肯定很好久到底是用什么儀器測量,上述步驟所用到的測量儀器是Micro Drop超微量分光光度計,這是一款全光譜波長(185~910nm)的超微量分光光度計,兼具基座和比色皿上樣雙檢測模式, 適用于更寬濃度范圍的樣品檢測,基座上樣檢測操作步驟僅需三步(微量移液器加樣—平板電腦控制檢測—無絨紙擦拭)即可完成,無需昂貴的耗材,也無需進行繁瑣的清洗及稀釋步驟,快速高效。
關于超微量分光光度計如何測量核酸濃度就給大家介紹到這里了,更多資訊請繼續關注寶予德。
